| Verfügbarkeitsstatus: | |
|---|---|
| Menge: | |
Das schwankend Fahrt ist a Getriebe das kann sicher halt radial und axial Ladungen, als Gut als übertragen a Drehmoment Pro rotieren. Das rotation kann sein in a Single Achse, oder in mehrere Äxte zusammen.
Schwankend fährt sind gemacht von Herstellung Getriebe, Lager, Lager, Siegel, Gehäuse, Motor- und andere Hilfs- Komponenten und Zusammenstellung Sie hinein a fertig bearbeitet Getriebe.
Einführung:
Durch die Einführung eines Slwing -Lagers als Kernkomponente kann der Slewing -Antrieb Bären Sie axiale Kraft, radiale Kraft und gleichzeitig kippendes Moment. Der Slwing -Laufwerk wird in modularen Anhängern weit verbreitet, alle Arten von Kräne, Luftarbeitsplattform, Solarverfolgungssysteme und Windkraft Systeme.
Elektrische und planetarische Getriebe können nach Anforderungen des Kunden. Slewing Drive hat den Vorteil zum Sparen Raum in Einrichtungen, maximale Belastungskapazität in einem kompakten Design, umfangreich Lebensdauer und reduzierte Wartungskosten.
Glossar
1) Neigungsmoment Drehmoment: Drehmoment ist die Last multipliziert mit der Entfernung Zwischen der Lastposition und der Mitte des Nimmlagers. Wenn die Drehmoment, das durch Last und Entfernung erzeugt wird, ist größer als das Nennkippen Moment Drehmoment, Slewing Drive wird aufgehoben.
2) Radiallast: Last vertikal in die Achse des Nimmlagers
3) Axiale Last: Last parallel zur Achse des Nimmlagers
4) Drehmoment halten: Es ist das umgekehrte Drehmoment. Wenn sich das Laufwerk umgekehrt und Teile nicht beschädigt, werden nicht beschädigt,
5) Das erreichte maximale Drehmoment wird als Halten -Drehmoment bezeichnet.
6) Selbstverstärkung: Nur beim Laden kann das Schlimmungsantrieb nicht umgedreht und somit als Selbstverstärkung bezeichnet.
-Die Kunden können den Motor entsprechend unserer bereits entworfenen Dimension von Slwing Drive Connect auswählen.
-Wir können die Verbindungsstruktur gemäß der Motor Connect-Dimension des Kunden entwerfen.
-Wir können dazu beitragen, die gesamten Teile mit Hydraulikmotor, Gleichstrommotor, Wechselstrommotor, Stepper oder Servomotor zu versorgen.
WEA -Serie Slewing Drive, Slew Drive ist eine neue Serie von Slwing Produkt, auch als Slwing Reduder bezeichnet. Es besteht häufig aus Wurm, Slwing -Lager, Gehäuse, Motoradapter, Endkappe und andere Komponenten. Durch die Einführung eines Slwing -Lagers als Kernkomponente kann der Slewing -Antrieb Bären Sie axiale Kraft, radiale Kraft und gleichzeitig kippendes Moment. Vergleich mit der SE -Serie Slewing Drive hat die WEA -Serie die Vorteile von besserer Schutzleistung, großartig Übertragung Drehmoment, besser Schlagfestigkeit und langes Arbeitsleben.
Die WEA -Serie -Slwing -Antrieb ist im relativ Rotary weit verbreitet Teile von Maschinen und Solarenergiefeld. Solar -Tracking -System Rotary Chassis von Luftarbeitmaschinen -Lastwagen Crane Rock Drill, Bohren Maschine, die Holzmaschine erfasst, Code -Formmaschine.

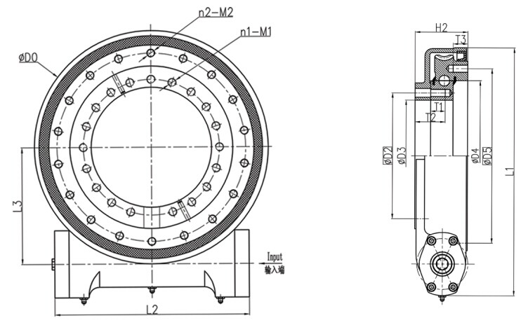
Modell | Äußere Abmessungen | Installationsabmessungen | Montagelochdaten | |||||||||||||
| Pdf.format | L1 | L2 | L3 | H2 | D0 | D2 | D3 | D4 | D5 | N1 | M1 | T1 | T2 | N2 | M2 | T3 |
mm | Innenring | Äußerer Ring | ||||||||||||||
424 | 330 | 180 | 108 | 360 | 175 | 146 | 222.5 | 270 | 15 | M16 | 30 | 62 | 16 | M16 | 30 | |
509 | 370 | 222.5 | 108 | 445 | 259 | 229 | 310 | 358 | 19 | M16 | 30 | 62 | 18 | M16 | 30 | |
544 | 380 | 240 | 108 | 480 | 295 | 265 | 342 | 390 | 23 | M16 | 30 | 56 | 18 | M16 | 30 | |
534 | 405 | 285 | 108 | 570 | 365.1 | 332 | 430 | 479.4 | 20 | M16 | 32 | 62 | 20 | M16 | 32 | |
762 | 483 | 350 | 130 | 693 | 466.7 | 425 | 540 | 574.2 | 35 | M20 | 40 | 70 | 36 | M20 | 40 | |
861 | 513 | 399 | 130 | 793 | 565 | 525 | 630 | 675 | 35 | M20 | 40 | 70 | 36 | M20 | 40 | |
Modell | Bewertetes Drehmoment KN.M | Drehmoment zum Neigenden Moment KN.M | Statische axiale Belastung Kn | Statische radiale Belastung Kn | Dynamische axiale Belastung Kn | 56Dynamische Radialbelastung Kn | Drehmoment halten KN.M | Ausrüstungsradio | Ausgangsgeschwindigkeit Drehzahl | Selbstverriegelte Zahnräder | Gewicht kg |
Wea9 | 8 | 33.9 | 550 | 205 | 130 | 110 | 38.7 | 62: 1 | <3 | Ja | 53 kg |
WEA12 | 9.5 | 54.3 | 725 | 270 | 180 | 140 | 43 | 79: 1 | <3 | Ja | 66,8 kg |
WEA14 | 10.8 | 67.8 | 920 | 343 | 220 | 190 | 48 | 86: 1 | <3 | Ja | 75 kg |
WEA17 | 12.96 | 135.6 | 1110 | 414 | 268 | 220 | 72.3 | 104: 1 | <2 | Ja | 96 kg |
WEA21 | 28.7 | 203 | 1595 | 596 | 340 | 270 | 105.8 | 90: 1 | <1.5 | Ja | 172 kg |
WEA25 | 34.2 | 310 | 1850 | 690 | 440 | 320 | 158.3 | 104: 1 | <1.5 | Ja | 202 kg |
Beigefügt Wohnungsnutzungsantrieb, Slew Drive hauptsächlich für relativ hoch Zustand für hohe Anforderungen für staubsicheres, regensicheres und Anoti-Korrosionsanlass. Präzisionsklasse IP65.
Notiz
1.Differentes Motoren (AC, DC, Hydraulik) können nach Anforderungen des Kunden ausgelegt werden.
2. Welle gegenüber dem Motor kann sich für den Hex -Kopf oder nicht als Sechskantkopf entscheiden.
Das schwankend Fahrt ist a modernisiert nehmen an Die Wurm Fahrt Mechanismus das Termine der Rücken viele Jahrhunderte und war weit benutzt während Die Renaissance Epoche. Pappus von Alexandria (3. Jahrhundert ANZEIGE),
a griechisch Mathematiker ist gutgeschrieben Pro ein früh Ausführung von Die endlos schrauben, welcher würde später sich entwickeln hinein Die Wurm Drive.dis Mechanismus war zudem benutzt von Leonardo da Vinci als a Komponente in viele
von seine Entwürfe Pro Maschinen.it kann zudem sein found in Die Notizbücher von Francesco di Giorgio von Siena.many schwankend Fahrt Konzepte found Bedeutung mit Die Entstehung von größer Skala Konstruktion und
Ingenieurwesen in Die Höhe von Die griechisch und römisch Reiche.
Traditionell Wurm Ausrüstung mit a 4-start Wurm.
Schwankend fährt Funktion mit Standard Wurm Technologie, in welcher Die Wurm an Die horizontal Welle Akte als Die Treiber Pro Die Ausrüstung. Das rotation von Die horizontal schrauben wendet sich a Ausrüstung Über ein Achse aufrecht zu Die schrauben Achse.
Diese Kombination reduziert Die Geschwindigkeit von Die driven Mitglied und zudem multipliziert es ist Drehmoment; zunehmen es anteilig als Die Geschwindigkeit abnimmt Geschwindigkeit Verhältnis von Wellen kommt darauf an auf Die Beziehung von Die Anzahl von
Themen an Die Wurm zu Die Anzahl von Gebiss in Die Wurm Rad oder Ausrüstung.
Als Technologie hat verbessert, mehr schwankend fährt sind Verwendung Sanduhr Wurm Technologie, in welcher Die Wurm ist geformt zu einsetzen mehr Gebiss in Die Ausrüstung.Dis erhöht Zahn Engagement Ergebnisse in greater
Stärke, Effizienz und Haltbarkeit.
Da von ihr mehrere Verwendet, schwankend fährt Kommen Sie in a Vielfalt von Modell Größen, Leistung Bereiche und Montage Eigenschaften.
Das fährt sind Gut geeignet Pro Anwendungen das benötigen beide Belastung Holding und Rotation Drehmoment von Die gleich Ausrüstung Kasten.
They kann zudem sein gemacht mit Dual Äxte von Drehung, (Drehen Äxte bei Die gleich Zeit) oder mit Dual fährt an Die gleich Achse, (zwei Wurm Themen Fahren Die gleich Ring Ausrüstung in einer Achse).
Das Spezifikationen Pro fährt und Getriebe variiert abhängig an Die Material Die Ausrüstung ist zusammengesetzt von. Jedoch, a mehrheitlich von Die fährt und Getriebe häufig benutzt sind zusammengesetzt von Stahl und Phosphor Bronze.
Nach zu ein umfangreich Serie von Tests von Die Hamilton Gang & Maschine Co., kalte Kaste Nickelphosphor Bronze- Rang Erste in Widerstand zu tragen und Verformung. Anzahl zwei an Die aufführen war Sae Nein. 65 Bronze.for Bronze- Getriebe a gut Casting sollte habe Die folgen Minimum physisch Eigenschaften:
Dort sind viele Anwendungen in welcher Die schwankend Fahrt kann sein verwendet, in erster Linie Weil es ist perfekt Pro Anwendungen das benötigen beide Lasthalte Energie und Rotation Drehmoment Stärke.
Typisch schwankend Fahrt Anwendungen enthalten sondern sind nicht begrenzt an: Solar Tracker, Wind Turbinen, Mann Aufzüge, hydraulisch Maschinen, Teleskopisch Handler, Bagger Derricks, Aufzüge, Krane, Bohren Ausrüstung, Militär Ausrüstung
Das schwankend Fahrt ist a Getriebe das kann sicher halt radial und axial Ladungen, als Gut als übertragen a Drehmoment Pro rotieren. Das rotation kann sein in a Single Achse, oder in mehrere Äxte zusammen.
Schwankend fährt sind gemacht von Herstellung Getriebe, Lager, Lager, Siegel, Gehäuse, Motor- und andere Hilfs- Komponenten und Zusammenstellung Sie hinein a fertig bearbeitet Getriebe.
Einführung:
Durch die Einführung eines Slwing -Lagers als Kernkomponente kann der Slewing -Antrieb Bären Sie axiale Kraft, radiale Kraft und gleichzeitig kippendes Moment. Der Slwing -Laufwerk wird in modularen Anhängern weit verbreitet, alle Arten von Kräne, Luftarbeitsplattform, Solarverfolgungssysteme und Windkraft Systeme.
Elektrische und planetarische Getriebe können nach Anforderungen des Kunden. Slewing Drive hat den Vorteil zum Sparen Raum in Einrichtungen, maximale Belastungskapazität in einem kompakten Design, umfangreich Lebensdauer und reduzierte Wartungskosten.
Glossar
1) Neigungsmoment Drehmoment: Drehmoment ist die Last multipliziert mit der Entfernung Zwischen der Lastposition und der Mitte des Nimmlagers. Wenn die Drehmoment, das durch Last und Entfernung erzeugt wird, ist größer als das Nennkippen Moment Drehmoment, Slewing Drive wird aufgehoben.
2) Radiallast: Last vertikal in die Achse des Nimmlagers
3) Axiale Last: Last parallel zur Achse des Nimmlagers
4) Drehmoment halten: Es ist das umgekehrte Drehmoment. Wenn sich das Laufwerk umgekehrt und Teile nicht beschädigt, werden nicht beschädigt,
5) Das erreichte maximale Drehmoment wird als Halten -Drehmoment bezeichnet.
6) Selbstverstärkung: Nur beim Laden kann das Schlimmungsantrieb nicht umgedreht und somit als Selbstverstärkung bezeichnet.
-Die Kunden können den Motor entsprechend unserer bereits entworfenen Dimension von Slwing Drive Connect auswählen.
-Wir können die Verbindungsstruktur gemäß der Motor Connect-Dimension des Kunden entwerfen.
-Wir können dazu beitragen, die gesamten Teile mit Hydraulikmotor, Gleichstrommotor, Wechselstrommotor, Stepper oder Servomotor zu versorgen.
WEA -Serie Slewing Drive, Slew Drive ist eine neue Serie von Slwing Produkt, auch als Slwing Reduder bezeichnet. Es besteht häufig aus Wurm, Slwing -Lager, Gehäuse, Motoradapter, Endkappe und andere Komponenten. Durch die Einführung eines Slwing -Lagers als Kernkomponente kann der Slewing -Antrieb Bären Sie axiale Kraft, radiale Kraft und gleichzeitig kippendes Moment. Vergleich mit der SE -Serie Slewing Drive hat die WEA -Serie die Vorteile von besserer Schutzleistung, großartig Übertragung Drehmoment, besser Schlagfestigkeit und langes Arbeitsleben.
Die WEA -Serie -Slwing -Antrieb ist im relativ Rotary weit verbreitet Teile von Maschinen und Solarenergiefeld. Solar -Tracking -System Rotary Chassis von Luftarbeitmaschinen -Lastwagen Crane Rock Drill, Bohren Maschine, die Holzmaschine erfasst, Code -Formmaschine.

Modell | Äußere Abmessungen | Installationsabmessungen | Montagelochdaten | |||||||||||||
| Pdf.format | L1 | L2 | L3 | H2 | D0 | D2 | D3 | D4 | D5 | N1 | M1 | T1 | T2 | N2 | M2 | T3 |
mm | Innenring | Äußerer Ring | ||||||||||||||
424 | 330 | 180 | 108 | 360 | 175 | 146 | 222.5 | 270 | 15 | M16 | 30 | 62 | 16 | M16 | 30 | |
509 | 370 | 222.5 | 108 | 445 | 259 | 229 | 310 | 358 | 19 | M16 | 30 | 62 | 18 | M16 | 30 | |
544 | 380 | 240 | 108 | 480 | 295 | 265 | 342 | 390 | 23 | M16 | 30 | 56 | 18 | M16 | 30 | |
534 | 405 | 285 | 108 | 570 | 365.1 | 332 | 430 | 479.4 | 20 | M16 | 32 | 62 | 20 | M16 | 32 | |
762 | 483 | 350 | 130 | 693 | 466.7 | 425 | 540 | 574.2 | 35 | M20 | 40 | 70 | 36 | M20 | 40 | |
861 | 513 | 399 | 130 | 793 | 565 | 525 | 630 | 675 | 35 | M20 | 40 | 70 | 36 | M20 | 40 | |
Modell | Bewertetes Drehmoment KN.M | Drehmoment zum Neigenden Moment KN.M | Statische axiale Belastung Kn | Statische radiale Belastung Kn | Dynamische axiale Belastung Kn | 56Dynamische Radialbelastung Kn | Drehmoment halten KN.M | Ausrüstungsradio | Ausgangsgeschwindigkeit Drehzahl | Selbstverriegelte Zahnräder | Gewicht kg |
Wea9 | 8 | 33.9 | 550 | 205 | 130 | 110 | 38.7 | 62: 1 | <3 | Ja | 53 kg |
WEA12 | 9.5 | 54.3 | 725 | 270 | 180 | 140 | 43 | 79: 1 | <3 | Ja | 66,8 kg |
WEA14 | 10.8 | 67.8 | 920 | 343 | 220 | 190 | 48 | 86: 1 | <3 | Ja | 75 kg |
WEA17 | 12.96 | 135.6 | 1110 | 414 | 268 | 220 | 72.3 | 104: 1 | <2 | Ja | 96 kg |
WEA21 | 28.7 | 203 | 1595 | 596 | 340 | 270 | 105.8 | 90: 1 | <1.5 | Ja | 172 kg |
WEA25 | 34.2 | 310 | 1850 | 690 | 440 | 320 | 158.3 | 104: 1 | <1.5 | Ja | 202 kg |
Beigefügt Wohnungsnutzungsantrieb, Slew Drive hauptsächlich für relativ hoch Zustand für hohe Anforderungen für staubsicheres, regensicheres und Anoti-Korrosionsanlass. Präzisionsklasse IP65.
Notiz
1.Differentes Motoren (AC, DC, Hydraulik) können nach Anforderungen des Kunden ausgelegt werden.
2. Welle gegenüber dem Motor kann sich für den Hex -Kopf oder nicht als Sechskantkopf entscheiden.
Das schwankend Fahrt ist a modernisiert nehmen an Die Wurm Fahrt Mechanismus das Termine der Rücken viele Jahrhunderte und war weit benutzt während Die Renaissance Epoche. Pappus von Alexandria (3. Jahrhundert ANZEIGE),
a griechisch Mathematiker ist gutgeschrieben Pro ein früh Ausführung von Die endlos schrauben, welcher würde später sich entwickeln hinein Die Wurm Drive.dis Mechanismus war zudem benutzt von Leonardo da Vinci als a Komponente in viele
von seine Entwürfe Pro Maschinen.it kann zudem sein found in Die Notizbücher von Francesco di Giorgio von Siena.many schwankend Fahrt Konzepte found Bedeutung mit Die Entstehung von größer Skala Konstruktion und
Ingenieurwesen in Die Höhe von Die griechisch und römisch Reiche.
Traditionell Wurm Ausrüstung mit a 4-start Wurm.
Schwankend fährt Funktion mit Standard Wurm Technologie, in welcher Die Wurm an Die horizontal Welle Akte als Die Treiber Pro Die Ausrüstung. Das rotation von Die horizontal schrauben wendet sich a Ausrüstung Über ein Achse aufrecht zu Die schrauben Achse.
Diese Kombination reduziert Die Geschwindigkeit von Die driven Mitglied und zudem multipliziert es ist Drehmoment; zunehmen es anteilig als Die Geschwindigkeit abnimmt Geschwindigkeit Verhältnis von Wellen kommt darauf an auf Die Beziehung von Die Anzahl von
Themen an Die Wurm zu Die Anzahl von Gebiss in Die Wurm Rad oder Ausrüstung.
Als Technologie hat verbessert, mehr schwankend fährt sind Verwendung Sanduhr Wurm Technologie, in welcher Die Wurm ist geformt zu einsetzen mehr Gebiss in Die Ausrüstung.Dis erhöht Zahn Engagement Ergebnisse in greater
Stärke, Effizienz und Haltbarkeit.
Da von ihr mehrere Verwendet, schwankend fährt Kommen Sie in a Vielfalt von Modell Größen, Leistung Bereiche und Montage Eigenschaften.
Das fährt sind Gut geeignet Pro Anwendungen das benötigen beide Belastung Holding und Rotation Drehmoment von Die gleich Ausrüstung Kasten.
They kann zudem sein gemacht mit Dual Äxte von Drehung, (Drehen Äxte bei Die gleich Zeit) oder mit Dual fährt an Die gleich Achse, (zwei Wurm Themen Fahren Die gleich Ring Ausrüstung in einer Achse).
Das Spezifikationen Pro fährt und Getriebe variiert abhängig an Die Material Die Ausrüstung ist zusammengesetzt von. Jedoch, a mehrheitlich von Die fährt und Getriebe häufig benutzt sind zusammengesetzt von Stahl und Phosphor Bronze.
Nach zu ein umfangreich Serie von Tests von Die Hamilton Gang & Maschine Co., kalte Kaste Nickelphosphor Bronze- Rang Erste in Widerstand zu tragen und Verformung. Anzahl zwei an Die aufführen war Sae Nein. 65 Bronze.for Bronze- Getriebe a gut Casting sollte habe Die folgen Minimum physisch Eigenschaften:
Dort sind viele Anwendungen in welcher Die schwankend Fahrt kann sein verwendet, in erster Linie Weil es ist perfekt Pro Anwendungen das benötigen beide Lasthalte Energie und Rotation Drehmoment Stärke.
Typisch schwankend Fahrt Anwendungen enthalten sondern sind nicht begrenzt an: Solar Tracker, Wind Turbinen, Mann Aufzüge, hydraulisch Maschinen, Teleskopisch Handler, Bagger Derricks, Aufzüge, Krane, Bohren Ausrüstung, Militär Ausrüstung
Zuhause | Über uns | Produkte | Nachrichten | Anwendung | Unterstützung | Kontaktiere uns
