| Verfügbarkeitsstatus: | |
|---|---|
| Menge: | |
A Nimmlager oder Ringring ist eine Rotation Rolling-Element-Lager oder einfaches Lager Das unterstützt normalerweise eine schwere, aber langsame oder langsam optimierende Last, oft eine horizontale Plattform wie eine konventionelle Kran, a Swing Yarder, oder die windgerichtete Plattform einer horizontalen Achse Windmühle. (Um "zu schlucken " bedeutet, sich ohne Änderung des Ortes zu drehen.)
Im Vergleich zu anderen Rollelementlagern sind die Schlägerlager im Abschnitt dünn und werden häufig in Durchmessern eines Meters oder mehr hergestellt. die Schlägerlager auf der Falkirk Rad sind 4 Meter Durchmesser und passen über eine 3,5 -Meter -Achse. Die Schlägerlager ähneln übergroße Flugzeugkontrolloberflächenlager.
Slwing -Lager verwenden häufig zwei Reihen rollender Elemente. Sie verwenden oft drei Rennen Elemente wie ein innerer Ring und zwei äußere Ring "Hälften", die axial zusammenklemmen.
Die Schlägerlager werden häufig aus Zahnradzähne hergestellt, die in das innere oder äußere Rennen integriert sind und die Plattform relativ zur Basis treiben.
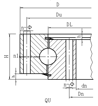
NEIN | Modell | Abmessungen (mm) | Montageabmessungen (MM) | Strukturabmessungen (mm) | Zahnraddaten | ||||||||||||
Nicht ausgerüstet | H | Du | Dn | n | Durch Loch A | Gewindebohrung B/c/d | N1 Ölbecher Qty | h | B | m | |||||||
de | Ausrüstung Qty z | Gewicht | |||||||||||||||
D | d | φ | D1 | T | |||||||||||||
mm | mm | mm | mm | kg | |||||||||||||
1 | 408 | 222 | 60 | 370 | 260 | 10 | 18 | M16 | 24 | 2 | 10 | 34 | |||||
2 | 448 | 262 | 60 | 410 | 300 | 10 | 18 | M16 | 24 | 2 | 10 | 39 | |||||
3 | 493 | 307 | 60 | 455 | 345 | 12 | 18 | M16 | 24 | 2 | 10 | 44 | |||||
4 | 543 | 357 | 60 | 505 | 395 | 12 | 18 | M16 | 24 | 2 | 10 | 50 | |||||
5 | 593 | 407 | 60 | 555 | 445 | 14 | 18 | M16 | 24 | 2 | 10 | 55 | |||||
6 | 656 | 464 | 70 | 618 | 502 | 14 | 18 | M16 | 30 | 2 | 10 | 76 | |||||
7 | 726 | 534 | 70 | 688 | 572 | 16 | 18 | M16 | 30 | 2 | 10 | 84 | |||||
8 | 806 | 614 | 70 | 768 | 652 | 18 | 18 | M16 | 30 | 2 | 10 | 97 | |||||
9 | QU.800.20 | 896 | 704 | 70 | 858 | 742 | 20 | 18 | M16 | 30 | 2 | 10 | 110 | ||||
10 | 908 | 692 | 78 | 864 | 736 | 18 | 22 | M20 | 36 | 2 | 10 | 142 | |||||
11 | 1008 | 792 | 78 | 964 | 836 | 20 | 22 | M20 | 36 | 2 | 10 | 163 | |||||
12 | QU.1000.25 | 1108 | 892 | 78 | 1064 | 936 | 24 | 22 | M20 | 36 | 2 | 10 | 178 | ||||
13 | 1124 | 876 | 90 | 1074 | 926 | 24 | 24 | M22 | 40 | 2 | 10 | 230 | |||||
14 | 1244 | 996 | 90 | 1194 | 1046 | 28 | 24 | M22 | 40 | 4 | 10 | 263 | |||||
15 | QU.1250.32 | 1374 | 1126 | 90 | 1324 | 1176 | 32 | 24 | M22 | 40 | 4 | 10 | 294 | ||||
16 | QU.1400.32 | 1524 | 1276 | 90 | 1474 | 1326 | 36 | 24 | M22 | 40 | 4 | 10 | 333 | ||||
17 | 1394 | 1108 | 102 | 1336 | 1164 | 32 | 26 | M24 | 45 | 4 | 12 | 388 | |||||
18 | 1544 | 1258 | 102 | 1486 | 1314 | 36 | 26 | M24 | 45 | 4 | 12 | 444 | |||||
19 | QU.1600.40 | 1744 | 1458 | 102 | 1686 | 1514 | 40 | 26 | M24 | 45 | 4 | 12 | 509 | ||||
20 | QU.1800.40 | 1944 | 1658 | 102 | 1886 | 1714 | 44 | 26 | M24 | 45 | 4 | 12 | 576 | ||||
21 | 1766 | 1434 | 124 | 1704 | 1496 | 40 | 30 | M27 | 50 | 4 | 12 | 714 | |||||
22 | 1966 | 1634 | 124 | 1904 | 1696 | 44 | 30 | M27 | 50 | 4 | 12 | 794 | |||||
23 | QU.2000.50 | 2166 | 1834 | 124 | 2104 | 1896 | 48 | 30 | M27 | 50 | 6 | 12 | 891 | ||||
24 | QU.2240.50 | 2406 | 2074 | 124 | 2344 | 2136 | 54 | 30 | M27 | 50 | 6 | 12 | 1044 | ||||
25 | QU.2500.50 | 2666 | 2334 | 124 | 2604 | 2396 | 60 | 30 | M27 | 50 | 6 | 12 | 1132 | ||||
26 | QU.2500.60 | 2696 | 2304 | 150 | 2626 | 2374 | 60 | 33 | M30 | 56 | 6 | 14 | 1621 | ||||
Notiz:
1. N1 ist das NOS von Schmierlöchern. Oil Cup M10 × 1JB/T7940.1 ~ JB/T7940.2. Die Position des Ölnippels kann gemäß der Anwendung des Benutzers geändert werden.
2. N-φcan wechseln in das angepasste Loch, der Durchmesser des Klopflochs beträgt m, die Tiefe 2 m.
3. "k " ist der Addendum -Reduktionskoeffizient.
A Nimmlager oder Ringring ist eine Rotation Rolling-Element-Lager oder einfaches Lager Das unterstützt normalerweise eine schwere, aber langsame oder langsam optimierende Last, oft eine horizontale Plattform wie eine konventionelle Kran, a Swing Yarder, oder die windgerichtete Plattform einer horizontalen Achse Windmühle. (Um "zu schlucken " bedeutet, sich ohne Änderung des Ortes zu drehen.)
Im Vergleich zu anderen Rollelementlagern sind die Schlägerlager im Abschnitt dünn und werden häufig in Durchmessern eines Meters oder mehr hergestellt. die Schlägerlager auf der Falkirk Rad sind 4 Meter Durchmesser und passen über eine 3,5 -Meter -Achse. Die Schlägerlager ähneln übergroße Flugzeugkontrolloberflächenlager.
Slwing -Lager verwenden häufig zwei Reihen rollender Elemente. Sie verwenden oft drei Rennen Elemente wie ein innerer Ring und zwei äußere Ring "Hälften", die axial zusammenklemmen.
Die Schlägerlager werden häufig aus Zahnradzähne hergestellt, die in das innere oder äußere Rennen integriert sind und die Plattform relativ zur Basis treiben.
NEIN | Modell | Abmessungen (mm) | Montageabmessungen (MM) | Strukturabmessungen (mm) | Zahnraddaten | ||||||||||||
Nicht ausgerüstet | H | Du | Dn | n | Durch Loch A | Gewindebohrung B/c/d | N1 Ölbecher Qty | h | B | m | |||||||
de | Ausrüstung Qty z | Gewicht | |||||||||||||||
D | d | φ | D1 | T | |||||||||||||
mm | mm | mm | mm | kg | |||||||||||||
1 | 408 | 222 | 60 | 370 | 260 | 10 | 18 | M16 | 24 | 2 | 10 | 34 | |||||
2 | 448 | 262 | 60 | 410 | 300 | 10 | 18 | M16 | 24 | 2 | 10 | 39 | |||||
3 | 493 | 307 | 60 | 455 | 345 | 12 | 18 | M16 | 24 | 2 | 10 | 44 | |||||
4 | 543 | 357 | 60 | 505 | 395 | 12 | 18 | M16 | 24 | 2 | 10 | 50 | |||||
5 | 593 | 407 | 60 | 555 | 445 | 14 | 18 | M16 | 24 | 2 | 10 | 55 | |||||
6 | 656 | 464 | 70 | 618 | 502 | 14 | 18 | M16 | 30 | 2 | 10 | 76 | |||||
7 | 726 | 534 | 70 | 688 | 572 | 16 | 18 | M16 | 30 | 2 | 10 | 84 | |||||
8 | 806 | 614 | 70 | 768 | 652 | 18 | 18 | M16 | 30 | 2 | 10 | 97 | |||||
9 | QU.800.20 | 896 | 704 | 70 | 858 | 742 | 20 | 18 | M16 | 30 | 2 | 10 | 110 | ||||
10 | 908 | 692 | 78 | 864 | 736 | 18 | 22 | M20 | 36 | 2 | 10 | 142 | |||||
11 | 1008 | 792 | 78 | 964 | 836 | 20 | 22 | M20 | 36 | 2 | 10 | 163 | |||||
12 | QU.1000.25 | 1108 | 892 | 78 | 1064 | 936 | 24 | 22 | M20 | 36 | 2 | 10 | 178 | ||||
13 | 1124 | 876 | 90 | 1074 | 926 | 24 | 24 | M22 | 40 | 2 | 10 | 230 | |||||
14 | 1244 | 996 | 90 | 1194 | 1046 | 28 | 24 | M22 | 40 | 4 | 10 | 263 | |||||
15 | QU.1250.32 | 1374 | 1126 | 90 | 1324 | 1176 | 32 | 24 | M22 | 40 | 4 | 10 | 294 | ||||
16 | QU.1400.32 | 1524 | 1276 | 90 | 1474 | 1326 | 36 | 24 | M22 | 40 | 4 | 10 | 333 | ||||
17 | 1394 | 1108 | 102 | 1336 | 1164 | 32 | 26 | M24 | 45 | 4 | 12 | 388 | |||||
18 | 1544 | 1258 | 102 | 1486 | 1314 | 36 | 26 | M24 | 45 | 4 | 12 | 444 | |||||
19 | QU.1600.40 | 1744 | 1458 | 102 | 1686 | 1514 | 40 | 26 | M24 | 45 | 4 | 12 | 509 | ||||
20 | QU.1800.40 | 1944 | 1658 | 102 | 1886 | 1714 | 44 | 26 | M24 | 45 | 4 | 12 | 576 | ||||
21 | 1766 | 1434 | 124 | 1704 | 1496 | 40 | 30 | M27 | 50 | 4 | 12 | 714 | |||||
22 | 1966 | 1634 | 124 | 1904 | 1696 | 44 | 30 | M27 | 50 | 4 | 12 | 794 | |||||
23 | QU.2000.50 | 2166 | 1834 | 124 | 2104 | 1896 | 48 | 30 | M27 | 50 | 6 | 12 | 891 | ||||
24 | QU.2240.50 | 2406 | 2074 | 124 | 2344 | 2136 | 54 | 30 | M27 | 50 | 6 | 12 | 1044 | ||||
25 | QU.2500.50 | 2666 | 2334 | 124 | 2604 | 2396 | 60 | 30 | M27 | 50 | 6 | 12 | 1132 | ||||
26 | QU.2500.60 | 2696 | 2304 | 150 | 2626 | 2374 | 60 | 33 | M30 | 56 | 6 | 14 | 1621 | ||||
Notiz:
1. N1 ist das NOS von Schmierlöchern. Oil Cup M10 × 1JB/T7940.1 ~ JB/T7940.2. Die Position des Ölnippels kann gemäß der Anwendung des Benutzers geändert werden.
2. N-φcan wechseln in das angepasste Loch, der Durchmesser des Klopflochs beträgt m, die Tiefe 2 m.
3. "k " ist der Addendum -Reduktionskoeffizient.
Zuhause | Über uns | Produkte | Nachrichten | Anwendung | Unterstützung | Kontaktiere uns
