| Verfügbarkeitsstatus: | |
|---|---|
| Menge: | |
Ein getötetes Lager oder schlucken Ring ist eine Rotation Rolling-Element-Lager oder einfaches Lager Das unterstützt normalerweise eine schwere, aber langsame oder langsam optimierende Last, oft eine horizontale Plattform wie eine konventionelle Kran, a Swing Yarder, oder die windgerichtete Plattform einer horizontalen Achse Windmühle. (Um "zu schlucken " bedeutet, sich ohne Änderung des Ortes zu drehen.)
Im Vergleich zu anderen Rollelementlagern sind die Schlägerlager im Abschnitt dünn und werden häufig in Durchmessern eines Meters oder mehr hergestellt. die Schlägerlager auf der Falkirk Rad sind 4 Meter Durchmesser und passen über eine 3,5 -Meter -Achse. Die Schlägerlager ähneln übergroße Flugzeugkontrolloberflächenlager.
Slwing -Lager verwenden häufig zwei Reihen rollender Elemente. Sie verwenden oft drei Rennen Elemente wie ein innerer Ring und zwei äußere Ring "Hälften", die axial zusammenklemmen.
Die Schlägerlager werden häufig aus Zahnradzähne hergestellt, die in das innere oder äußere Rennen integriert sind und die Plattform relativ zur Basis treiben.
Was andere Lager betrifft, die sich eher erwidert, anstatt sich kontinuierlich zu drehen, kann Schmierung schwierig sein. Das Ölkeil Das in einem kontinuierlich rotierende Lager aufgebaut wird durch die STOP -Startbewegung der Slewing gestört. Stattdessen a hydrostatisches Lager Mit gepumptem Öl kann der Öl verwendet werden.
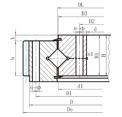
Einerreihenquerrollen -Schlägerlager besteht aus zwei Sitzplätzen, kompakten Struktur, hoher Präzision, kleiner Montage -Freigabe für die Installationsgenauigkeitsbedarf hoch, die Walze von 1: 1 -Kreuz, kann axiale Kraft gleichzeitig tragen, das Umkippen Moment und große radiale Kraft werden häufig zum Transport, Maschinen und Militärprodukten eingesetzt.

Nein | Modell Pdf.format | Dimensions | Montagedimension | Strukturdimension | Zahnraddaten | Gewicht kg | ||||||||||||||
D | d | H | D1 | D2 | n | mm | N1 | D3 | D1 | H1 | h | b | x | m | De | z | Q | |||
1 | HJW.20.625 | 725 | 525 | 80 | 685 | 565 | 18 | 18 | 3 | 627 | 623 | 68 | 12 | 60 | 1.4 | 5 | 751.9 | 146 | 5.2 | 100 |
Hjw.20.625a | 1.15 | 6 | 755.5 | 122 | 6.2 | |||||||||||||||
2 | Hjw.20.720 | 820 | 620 | 80 | 780 | 660 | 18 | 18 | 3 | 722 | 718 | 68 | 12 | 60 | 1.4 | 6 | 860.3 | 139 | 6.2 | 120 |
Hjw.20.720a | 1 | 8 | 861.1 | 104 | 8.3 | |||||||||||||||
3 | Hjw.30.820 | 940 | 705 | 95 | 893 | 749 | 24 | 20 | 4 | 822 | 818 | 83 | 12 | 70 | 1.4 | 6 | 980.6 | 159 | 7.2 | 210 |
Hjw.30.820a | 1 | 10 | 986.2 | 95 | 12.2 | |||||||||||||||
4 | Hjw.30.880 | 1000 | 760 | 95 | 956 | 800 | 24 | 20 | 4 | 882 | 878 | 83 | 12 | 70 | 1.15 | 8 | 1047.5 | 127 | 9.7 | 230 |
Hjw.30.880a | 1 | 10 | 1046.3 | 101 | 12.2 | |||||||||||||||
5 | Hjw.30.1020 | 1170 | 875 | 95 | 1120 | 930 | 24 | 22 | 4 | 1022 | 1018 | 80 | 15 | 70 | 1.4 | 8 | 1219.3 | 148 | 9.7 | 300 |
Hjw.30.1020a | 1.15 | 10 | 1219.2 | 118 | 12.2 | |||||||||||||||
6 | HJW.36.1220 | 1365 | 1075 | 120 | 1310 | 1130 | 36 | 24 | 6 | 1222 | 1218 | 105 | 15 | 90 | 1.4 | 10 | 1424.9 | 138 | 15.7 | 450 |
Hjw.36.1220a | 1 | 12 | 1435.9 | 116 | 18.8 | |||||||||||||||
7 | HJW.36.1250 | 1400 | 1090 | 120 | 1350 | 1150 | 36 | 26 | 6 | 1252 | 1248 | 105 | 15 | 90 | -0.35 | 10 | 1443 | 143 | 15.7 | 520 |
Hjw.36.1250a | 1 | 12 | 1449.6 | 117 | 18.8 | |||||||||||||||
8 | HJW.36.1435 | 1595 | 1278 | 120 | 1535 | 1335 | 36 | 26 | 6 | 1437 | 1433 | 105 | 15 | 90 | 1.15 | 12 | 1655.5 | 134 | 18.8 | 610 |
Hjw.36.1435a | 1 | 14 | 1661.2 | 115 | 21.9 | |||||||||||||||
9 | HJW.45.1540 | 1720 | 1360 | 140 | 1660 | 1420 | 42 | 26 | 6 | 1543 | 4537 | 122 | 18 | 110 | 1.4 | 12 | 1780.8 | 144 | 23 | 732 |
HJW.45.1540a | 1.15 | 14 | 1791.1 | 124 | 26.8 | |||||||||||||||
10 | HJW.45.1700 | 1875 | 1525 | 140 | 1815 | 1585 | 42 | 29 | 6 | 1703 | 1697 | 122 | 18 | 110 | 1.15 | 14 | 1945.4 | 135 | 26.8 | 844 |
HJW.45.1700a | 1.15 | 16 | 1950.8 | 118 | 30.5 | |||||||||||||||
11 | HJW.45.1880 | 2100 | 1665 | 160 | 2030 | 1740 | 48 | 32 | 6 | 1883 | 1876 | 140 | 20 | 115 | 1.4 | 14 | 2189.8 | 152 | 27.8 | 1400 |
HJW.45.1880a | 1.15 | 18 | 2194.6 | 118 | 35.8 | |||||||||||||||
12 | HJW.45.2115 | 2325 | 1900 | 160 | 2245 | 1980 | 48 | 32 | 6 | 2118 | 2112 | 140 | 20 | 115 | 1.4 | 16 | 2406.5 | 146 | 31.9 | 1600 |
HJW.45.2115a | 1.15 | 20 | 2418.4 | 117 | 40 | |||||||||||||||
13 | HJW.45.2370 | 2600 | 2146 | 180 | 2520 | 2220 | 48 | 32 | 6 | 2373 | 2367 | 158 | 22 | 130 | 1.4 | 18 | 2707.3 | 146 | 40.7 | 2100 |
HJW.45.2370a | 1.15 | 22 | 2704.4 | 119 | 49.7 | |||||||||||||||
14 | HJW.45.2600 | 2835 | 2365 | 180 | 2750 | 2450 | 54 | 36 | 6 | 2603 | 2597 | 158 | 22 | 130 | 1.4 | 18 | 2941.7 | 159 | 37.6 | 2400 |
HJW.45.2600A | 1.15 | 22 | 2946.9 | 130 | 45.9 | |||||||||||||||
15 | HJW.50.2820 | 3085 | 2555 | 200 | 3000 | 2640 | 54 | 36 | 6 | 2823 | 2817 | 178 | 22 | 150 | 1.4 | 20 | 3188.4 | 155 | 52.2 | 3400 |
Hjw.50.2820a | 1.15 | 25 | 3198.4 | 124 | 65.3 | |||||||||||||||
16 | HJW.50.3120 | 3400 | 2840 | 200 | 3310 | 2930 | 54 | 36 | 6 | 3123 | 3117 | 178 | 22 | 150 | 1.4 | 22 | 3507.2 | 155 | 57.4 | 4000 |
Hjw.50.3120a | 1.4 | 25 | 3509.6 | 136 | 65.3 | |||||||||||||||
17 | HJW.50.3580 | 3920 | 3240 | 240 | 3820 | 3340 | 60 | 40 | 6 | 3583 | 3577 | 218 | 22 | 190 | 1.4 | 22 | 4036.1 | 179 | 72.7 | 6700 |
Hjw.50.3580a | 1.4 | 25 | 4035.6 | 157 | 82.6 | |||||||||||||||
18 | HJW.50.4030 | 4370 | 3690 | 240 | 4270 | 3790 | 66 | 40 | 6 | 4033 | 4027 | 218 | 22 | 190 | 1.4 | 22 | 4520.6 | 201 | 53.6 | 7700 |
Hjw.50.4030a | 1.4 | 28 | 4522.4 | 157 | 68.2 | |||||||||||||||
19 | HJW.50.4540 | 4860 | 4210 | 240 | 4760 | 4310 | 72 | 40 | 6 | 4543 | 4537 | 218 | 22 | 190 | 1.4 | 22 | 4983.1 | 222 | 72.1 | 8760 |
Hjw.50.4540a | 1.4 | 30 | 4992.9 | 162 | 99.1 | |||||||||||||||
Ein getötetes Lager oder schlucken Ring ist eine Rotation Rolling-Element-Lager oder einfaches Lager Das unterstützt normalerweise eine schwere, aber langsame oder langsam optimierende Last, oft eine horizontale Plattform wie eine konventionelle Kran, a Swing Yarder, oder die windgerichtete Plattform einer horizontalen Achse Windmühle. (Um "zu schlucken " bedeutet, sich ohne Änderung des Ortes zu drehen.)
Im Vergleich zu anderen Rollelementlagern sind die Schlägerlager im Abschnitt dünn und werden häufig in Durchmessern eines Meters oder mehr hergestellt. die Schlägerlager auf der Falkirk Rad sind 4 Meter Durchmesser und passen über eine 3,5 -Meter -Achse. Die Schlägerlager ähneln übergroße Flugzeugkontrolloberflächenlager.
Slwing -Lager verwenden häufig zwei Reihen rollender Elemente. Sie verwenden oft drei Rennen Elemente wie ein innerer Ring und zwei äußere Ring "Hälften", die axial zusammenklemmen.
Die Schlägerlager werden häufig aus Zahnradzähne hergestellt, die in das innere oder äußere Rennen integriert sind und die Plattform relativ zur Basis treiben.
Was andere Lager betrifft, die sich eher erwidert, anstatt sich kontinuierlich zu drehen, kann Schmierung schwierig sein. Das Ölkeil Das in einem kontinuierlich rotierende Lager aufgebaut wird durch die STOP -Startbewegung der Slewing gestört. Stattdessen a hydrostatisches Lager Mit gepumptem Öl kann der Öl verwendet werden.
Einerreihenquerrollen -Schlägerlager besteht aus zwei Sitzplätzen, kompakten Struktur, hoher Präzision, kleiner Montage -Freigabe für die Installationsgenauigkeitsbedarf hoch, die Walze von 1: 1 -Kreuz, kann axiale Kraft gleichzeitig tragen, das Umkippen Moment und große radiale Kraft werden häufig zum Transport, Maschinen und Militärprodukten eingesetzt.

Nein | Modell Pdf.format | Dimensions | Montagedimension | Strukturdimension | Zahnraddaten | Gewicht kg | ||||||||||||||
D | d | H | D1 | D2 | n | mm | N1 | D3 | D1 | H1 | h | b | x | m | De | z | Q | |||
1 | HJW.20.625 | 725 | 525 | 80 | 685 | 565 | 18 | 18 | 3 | 627 | 623 | 68 | 12 | 60 | 1.4 | 5 | 751.9 | 146 | 5.2 | 100 |
Hjw.20.625a | 1.15 | 6 | 755.5 | 122 | 6.2 | |||||||||||||||
2 | Hjw.20.720 | 820 | 620 | 80 | 780 | 660 | 18 | 18 | 3 | 722 | 718 | 68 | 12 | 60 | 1.4 | 6 | 860.3 | 139 | 6.2 | 120 |
Hjw.20.720a | 1 | 8 | 861.1 | 104 | 8.3 | |||||||||||||||
3 | Hjw.30.820 | 940 | 705 | 95 | 893 | 749 | 24 | 20 | 4 | 822 | 818 | 83 | 12 | 70 | 1.4 | 6 | 980.6 | 159 | 7.2 | 210 |
Hjw.30.820a | 1 | 10 | 986.2 | 95 | 12.2 | |||||||||||||||
4 | Hjw.30.880 | 1000 | 760 | 95 | 956 | 800 | 24 | 20 | 4 | 882 | 878 | 83 | 12 | 70 | 1.15 | 8 | 1047.5 | 127 | 9.7 | 230 |
Hjw.30.880a | 1 | 10 | 1046.3 | 101 | 12.2 | |||||||||||||||
5 | Hjw.30.1020 | 1170 | 875 | 95 | 1120 | 930 | 24 | 22 | 4 | 1022 | 1018 | 80 | 15 | 70 | 1.4 | 8 | 1219.3 | 148 | 9.7 | 300 |
Hjw.30.1020a | 1.15 | 10 | 1219.2 | 118 | 12.2 | |||||||||||||||
6 | HJW.36.1220 | 1365 | 1075 | 120 | 1310 | 1130 | 36 | 24 | 6 | 1222 | 1218 | 105 | 15 | 90 | 1.4 | 10 | 1424.9 | 138 | 15.7 | 450 |
Hjw.36.1220a | 1 | 12 | 1435.9 | 116 | 18.8 | |||||||||||||||
7 | HJW.36.1250 | 1400 | 1090 | 120 | 1350 | 1150 | 36 | 26 | 6 | 1252 | 1248 | 105 | 15 | 90 | -0.35 | 10 | 1443 | 143 | 15.7 | 520 |
Hjw.36.1250a | 1 | 12 | 1449.6 | 117 | 18.8 | |||||||||||||||
8 | HJW.36.1435 | 1595 | 1278 | 120 | 1535 | 1335 | 36 | 26 | 6 | 1437 | 1433 | 105 | 15 | 90 | 1.15 | 12 | 1655.5 | 134 | 18.8 | 610 |
Hjw.36.1435a | 1 | 14 | 1661.2 | 115 | 21.9 | |||||||||||||||
9 | HJW.45.1540 | 1720 | 1360 | 140 | 1660 | 1420 | 42 | 26 | 6 | 1543 | 4537 | 122 | 18 | 110 | 1.4 | 12 | 1780.8 | 144 | 23 | 732 |
HJW.45.1540a | 1.15 | 14 | 1791.1 | 124 | 26.8 | |||||||||||||||
10 | HJW.45.1700 | 1875 | 1525 | 140 | 1815 | 1585 | 42 | 29 | 6 | 1703 | 1697 | 122 | 18 | 110 | 1.15 | 14 | 1945.4 | 135 | 26.8 | 844 |
HJW.45.1700a | 1.15 | 16 | 1950.8 | 118 | 30.5 | |||||||||||||||
11 | HJW.45.1880 | 2100 | 1665 | 160 | 2030 | 1740 | 48 | 32 | 6 | 1883 | 1876 | 140 | 20 | 115 | 1.4 | 14 | 2189.8 | 152 | 27.8 | 1400 |
HJW.45.1880a | 1.15 | 18 | 2194.6 | 118 | 35.8 | |||||||||||||||
12 | HJW.45.2115 | 2325 | 1900 | 160 | 2245 | 1980 | 48 | 32 | 6 | 2118 | 2112 | 140 | 20 | 115 | 1.4 | 16 | 2406.5 | 146 | 31.9 | 1600 |
HJW.45.2115a | 1.15 | 20 | 2418.4 | 117 | 40 | |||||||||||||||
13 | HJW.45.2370 | 2600 | 2146 | 180 | 2520 | 2220 | 48 | 32 | 6 | 2373 | 2367 | 158 | 22 | 130 | 1.4 | 18 | 2707.3 | 146 | 40.7 | 2100 |
HJW.45.2370a | 1.15 | 22 | 2704.4 | 119 | 49.7 | |||||||||||||||
14 | HJW.45.2600 | 2835 | 2365 | 180 | 2750 | 2450 | 54 | 36 | 6 | 2603 | 2597 | 158 | 22 | 130 | 1.4 | 18 | 2941.7 | 159 | 37.6 | 2400 |
HJW.45.2600A | 1.15 | 22 | 2946.9 | 130 | 45.9 | |||||||||||||||
15 | HJW.50.2820 | 3085 | 2555 | 200 | 3000 | 2640 | 54 | 36 | 6 | 2823 | 2817 | 178 | 22 | 150 | 1.4 | 20 | 3188.4 | 155 | 52.2 | 3400 |
Hjw.50.2820a | 1.15 | 25 | 3198.4 | 124 | 65.3 | |||||||||||||||
16 | HJW.50.3120 | 3400 | 2840 | 200 | 3310 | 2930 | 54 | 36 | 6 | 3123 | 3117 | 178 | 22 | 150 | 1.4 | 22 | 3507.2 | 155 | 57.4 | 4000 |
Hjw.50.3120a | 1.4 | 25 | 3509.6 | 136 | 65.3 | |||||||||||||||
17 | HJW.50.3580 | 3920 | 3240 | 240 | 3820 | 3340 | 60 | 40 | 6 | 3583 | 3577 | 218 | 22 | 190 | 1.4 | 22 | 4036.1 | 179 | 72.7 | 6700 |
Hjw.50.3580a | 1.4 | 25 | 4035.6 | 157 | 82.6 | |||||||||||||||
18 | HJW.50.4030 | 4370 | 3690 | 240 | 4270 | 3790 | 66 | 40 | 6 | 4033 | 4027 | 218 | 22 | 190 | 1.4 | 22 | 4520.6 | 201 | 53.6 | 7700 |
Hjw.50.4030a | 1.4 | 28 | 4522.4 | 157 | 68.2 | |||||||||||||||
19 | HJW.50.4540 | 4860 | 4210 | 240 | 4760 | 4310 | 72 | 40 | 6 | 4543 | 4537 | 218 | 22 | 190 | 1.4 | 22 | 4983.1 | 222 | 72.1 | 8760 |
Hjw.50.4540a | 1.4 | 30 | 4992.9 | 162 | 99.1 | |||||||||||||||
Zuhause | Über uns | Produkte | Nachrichten | Anwendung | Unterstützung | Kontaktiere uns
