| Verfügbarkeitsstatus: | |
|---|---|
| Menge: | |
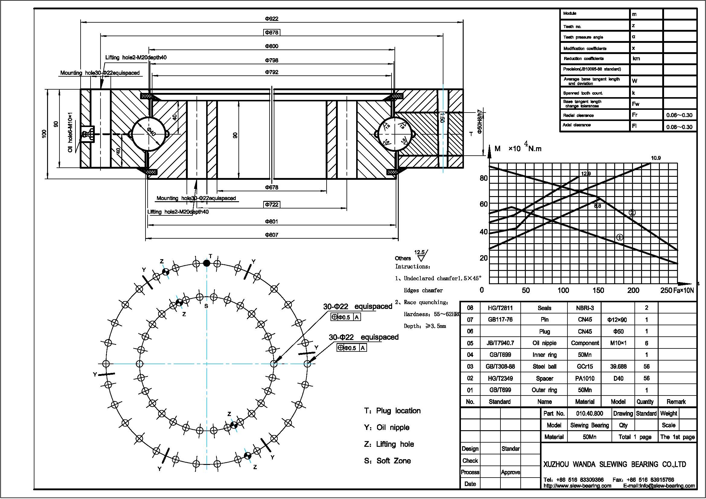
010.40.800
XZWD
8482800000
Das Slwing -Lager ist die Verbindung der Verteilungsmaschine, und die Verteilungsmaschinenrotation wird durch das Nimmlager realisiert.
Wenn die Maschine verwendet wird, trägt sie axiale Kraft und relativ groß Umkippungsmoment. Wenn es funktioniert, wird es Aufprallbelastung geben und schwappen. Wenn der Beton angewendet wird Nimmlager. Die allgemeine Arbeitsbedingung ist relativ schlecht. Wenn die Betonschlammung tritt in die Neigungslagerschiene ein, sie verursacht auch die Slwing -Lager, um festzuhalten. Daher bei der Auswahl der Slwing Lagermodell, vollständige Datenparameter sind erforderlich. Der Xuzhou Wanda Slewing Bearing Co., Ltd Technology Department wird die auswählen angemessenes Schlägerlager entsprechend den Anforderungen, um die zu gewährleisten Qualität. Gleichzeitig reduzieren Sie die Kundenkosten und erreichen a Win-Win-Ergebnis.
Das Slwing -Lager 010.40.800, das von Xuzhou Wanda Slewing Bearing Co., Ltd. hergestellt wurde, wird für den manuellen Betonverteiler häufig verwendet, und das Marktfeedback ist sehr gut. Das Nimmlager 012.30.710 erzielte auch gute Ergebnisse für den Betonverteiler mit festem Typ.
Die Zeichnung für 010.40.800:
Wenn Sie eine Forderung haben, senden Sie uns bitte eine E -Mail an uns. Wir könnten Ihnen viel mehr Details senden und Ihnen Preis anbieten.
Das Slwing -Lager ist die Verbindung der Verteilungsmaschine, und die Verteilungsmaschinenrotation wird durch das Nimmlager realisiert.
Wenn die Maschine verwendet wird, trägt sie axiale Kraft und relativ groß Umkippungsmoment. Wenn es funktioniert, wird es Aufprallbelastung geben und schwappen. Wenn der Beton angewendet wird Nimmlager. Die allgemeine Arbeitsbedingung ist relativ schlecht. Wenn die Betonschlammung tritt in die Neigungslagerschiene ein, sie verursacht auch die Slwing -Lager, um festzuhalten. Daher bei der Auswahl der Slwing Lagermodell, vollständige Datenparameter sind erforderlich. Der Xuzhou Wanda Slewing Bearing Co., Ltd Technology Department wird die auswählen angemessenes Schlägerlager entsprechend den Anforderungen, um die zu gewährleisten Qualität. Gleichzeitig reduzieren Sie die Kundenkosten und erreichen a Win-Win-Ergebnis.
Das Slwing -Lager 010.40.800, das von Xuzhou Wanda Slewing Bearing Co., Ltd. hergestellt wurde, wird für den manuellen Betonverteiler häufig verwendet, und das Marktfeedback ist sehr gut. Das Nimmlager 012.30.710 erzielte auch gute Ergebnisse für den Betonverteiler mit festem Typ.
Die Zeichnung für 010.40.800:
Wenn Sie eine Forderung haben, senden Sie uns bitte eine E -Mail an uns. Wir könnten Ihnen viel mehr Details senden und Ihnen Preis anbieten.
Zuhause | Über uns | Produkte | Nachrichten | Anwendung | Unterstützung | Kontaktiere uns
